Updated: 15-Oct-2025
Rebuild warning: Stay away from GEX. Their rebuilds are known for being crap. Update: GEX is finally out of business!
Note: The factory engines in these cars utilize a timing belt and accessory V-belts. These engines do not use serpentine belts!
Notes:
Cylinder Head
Camshaft (factory-equipped)
Engine Code
The engine code is located at the top of the engine block, at cylinder #3, just below the spark plug. The 6-digit number after the code is the engine's serial number. Tap the thumbnail at right for a visual.
Engine manufacturing country codes:
Transverse and Non-interference
Cabriolets have transversely-mounted engines. This means that the engine has been rotated 90° from how an engine normally sits in the engine compartment; i.e. what is usually the front of an engine (where the belts are) is on the right side of the engine compartment.
Furthermore, these engines, in stock form, are known as non-interference engines. This means that the timing belt can break while the engine is running and not cause serious damage to the valves and pistons, provided that the engine is not running at a very high RPM when the belt breaks.
The right/left sides of a car are based upon you sitting in the car, facing the engine compartment. Therefore, the right side of the car = passenger side; the left side of the car = driver's side (those in RHD countries, the "driver's" and "passenger" sides would be reversed).
Firing Order
The firing order on all 4-cylinder, inline 8-valve Volkswagen engines is 1-3-4-2. The rotor spins clockwise from the #1 cylinder wire, closest to the engine block, around to the #2 cylinder wire.
(If you happen to have swapped in a 9A engine, the firing order is still 1-3-4-2, but the rotation is counterclockwise from the #1 cylinder wire, closest to the engine block, around to the #2 cylinder wire.)
Types:
Rubber vs. poly: Rubber mounts are OEM and cushion, or isolate, the engine vibrations. Poly mounts are aftermarket and have a tendency to allow the engine vibrations to pass through to the chassis (i.e., you will feel the vibrations inside the car).
Symptoms of Mount Failure:
When motor mounts fail, the engine and transmission will rock causing very noticeable vibrations inside the passenger compartment (especially at idle), shifting issues, exhaust damage, and more.
Note: The following information applies only to the factory-original 4-cylinder engines. If your car has had an engine swap, please consult a manual or online references for your particular engine for its oil requirements.
Viscosity: Above (or at right) is an oil viscosity chart in relation to ambient air temperature. This chart is an industry standard for modern oils with higher viscosity indices than oils from 40 years ago; it does, however, closely match the original chart in the Cabriolet owner's manual. Use the viscosity that matches your climate. If you're seeing slight drops in oil pressure, try the next viscosity up from the one currently in use, but mind the temperature limits.
Do not drive at high speeds for extended periods with a 5Wxx oil if the ambient temperature rises above the indicated limits. Engine damage may occur.
The most common viscosities used in the Cabriolet world: 10W40, 15W40, 20W50.
Yes, it is perfectly acceptable to mix viscosity grades.
20W50: Should you be using it? It all depends on your climate and your engine. My '86, with 132,000 miles on the original engine, resides in the Arizona desert that has an average summer temperature of 105°F, with spikes up to 120°F. This car uses 20W50 to keep oil pressures nominal. Because the winter temps only ocassionally dip down to the freezing level, and the engine is always warmed up for a couple of minutes before driving, 20W50 is not a problem. If you live in a place like South Dakota, 20W50 in the warm summer months may be fine; however, it will be too thick for the winter months (if you plan to drive the car in severe winter conditions, switch to a lower viscosity -- see chart).
Type: Conventional, synthetic, or blend.
High mileage version: Use (if desired) if your engine has 100,000+ miles and/or is showing signs of age (a small drop in oil pressure, slight leaks, etc.). High mileage oils are formulated to care for aging engines, such as higher zinc content, conditioners to preserve seals, and viscosity modifiers to help retain the oil's thickness at higher temperatures.
API Service: SF and SG are the original API type for these cars. Those two types are now obsolete; use the current types of SJ, SL, SM, SN, or SN+.
Brand: Use your preferred brand, provided it's a top tier (Mobil1, Pennzoil, Castrol, Shell, Valvoline, etc.).
Capacity:
Drain plug copper washer part #N0138492
Oil Pressure
Minimim oil pressure in Cabriolets is 2 bar at 2000 rpm with the oil temperature at 80°C.
Tap here to read about the low oil pressure warning system in these cars.
Oil Dipstick
1980-1988: the difference between the min. and max. marks is 1.0 L (1.1 US qt.)
1989-1993: the difference between the min. and max. marks is 0.75 L (0.79 US qt.)
Oil Filters
Filter notes:
Oil Filter Flange



Three sizes of oil pumps were installed in Cabriolets. Which one your car needs depends on its engine.
Pump baffle (aka surge lock)
Fuel injected engines:
Oil on the air filter is commonly referred to as "compression blow-by". Oil is getting into the air passages via the main vent hose connected to the valve cover. Some oil on the filter is normal; an air filter coated with oil is sometimes an indication of worn rings and cylinder walls. To reduce the amount of blow-by, clean the valve cover (including the vent screen) and air hoses and install a camshaft cover.
Valve Cover
It's wise to upgrade your 3-piece valve cover gasket to a 1-piece rubber gasket: You will need to install shoulderless studs, but no gasket sealant is required. The rubber gasket is re-usable should the valve cover need to be removed, and rubber gaskets are more leak-proof.
Volkswagen part numbers:
Victor-Reinz part numbers:
Oil Pan
It's wise to upgrade your cork oil pan gasket to a rubber one. No gasket sealant is required and rubber gaskets are more leak-proof.
Volkswagen part numbers:
Victor-Reinz part numbers:
Manual transmission
Automatic transmission
Finding Vacuum Leaks
High idle = metered air/vacuum leak
Hunting idle = un-metered air/ vacuum leak
Vacuum Readings
Your local auto parts stores carry the above vacuum lines, albeit aftermarket versions.
Idle Adjustment Screw
O-ring
You can find this O-ring at your local mom & pop hardware store (such as Ace, True Value) in the plumbing department.
Look inside the intake manifold hole upon removing the screw. If there are remnants of the old O-ring, be sure to remove them before reinstalling the screw. Use a dab of thread sealant on the screw, if desired.
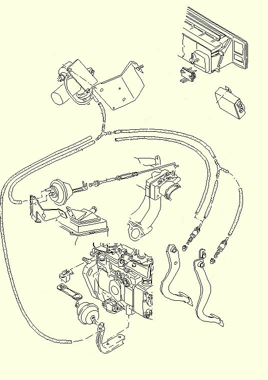
Vacuum Line Diagrams
| Without Air Conditioning | With Air Conditioning |
|---|---|
|
1980 K-Jetronic with EGR 1980-1983 K-Jetronic lambda 1984-1987 K-Jetronic lambda 1988-1993 K-Jetronic lambda 1990-1993 Digifant |
1980 K-Jetronic with EGR 1980-1983 K-Jetronic lambda 1984-1987 K-Jetronic lambda 1988-1993 K-Jetronic lambda 1990-1993 Digifant 2E2 Carburetor |
| NOTE: 1987 Cabriolets with VINs 21197 and higher, use the 1988-1993 K-Jetronic lambda diagrams. | |
Intake Air Hose Diagrams
| Without Air Conditioning | With Air Conditioning |
|---|---|
|
|
|
Knocking (high-pitched)
Knocking (low-pitched)
Clicking or Ticking
Squeak, squeal, chirp
Groan
Backfiring
Symptoms of Head Gasket Failure
Early Warning Signs
Terminal Symptoms
*The temperature will jump to "hot" when a pocket of super-hot steam envelops the gauge sending unit; when the gauge drops to normal that pocket of steam has been chased away by the coolant. This can also indicate a cracked cylinder head as well as a failed head gasket. One good reason to have this gauge: With just an "idiot light" for the coolant temperature like modern cars have, you'd never see this warning sign and by the time that red "idiot light" blinks, it'd be too late.
If early warning signs are leading you to suspect impending head gasket failure, have a repair shop conduct tests (or do the DIY test below) on the cooling system to verify possible head gasket failure (they'll check, in part, to see if combustion gasses are leaking into the cooling system which cause the system to over-pressurize). Try not to allow the head gasket to blow completely or the cylinder head could become warped, among other internal damage.
DIY test: With the engine cold, attach a latex glove to the coolant expansion tank fill hole (early Cabriolets will use the radiator fill hole). Leave the cap off and run the engine for a minute. If the glove inflates, you've most likely got a leaking/blown head gasket (have a professional verify your findings).
Symptoms of Piston Ring & Valve Stem Wear
If the spark plugs are continuously getting fouled, chances are that oil is leaking into the cylinders, which indicates possible piston ring and/or valve stem wear.
Test ports are accessed under the shift boot, towards the front.
NOTE: Only Cabriolets equipped with Digifant I fuel injection have the OBD I diagnostic ports. Furthermore, an OBD II diagnostic tool cannot be used to pull fault codes from an OBD I system unless it has an adapter!
If the check engine light is lit, it usually means there is a fault in the emissions system.
Cruise Control Does Not Work
Check for vacuum leaks. If the system still does not operate, use this procedure.
The pre-heat hose runs from the air box over to a flange on the exhaust manifold. If your car is missing this hose, it's not a problem unless you live in a cold climate. If your car has the pre-heat hose Y-valve at the air box and you wish to be rid of it, download the guide below.
Mechanical upgrades
*Autotech products are another option. Tap here for further discussion.
Scientific Rabbit is another source for ported intake manifolds and larger intake air boxes.Electronic upgrades (Digifant)
Install an EPROM performance chip, available through Techtonics Tuning. K-Jetronic cannot be chipped!
Cold-air intakes
You can add a cold-air intake, but it depends on the type of intake you intend to install. The cone-shaped filter-style intakes, for example, that sit inside the engine bay just off of the fuel distributor are not cold-air intakes. Instead, they suck in the heat produced by your car's engine. The same can be said for "Swiss-cheesing" the stock air box. A proper cold-air intake for these cars is routed in such a way that outside air can be drawn in, much like the stock configuration. In fact, you can modify the stock set-up to allow for the intake of more ambient air than the stock set-up provides; tap here for Digifant instructions (K-Jetronic will be similar; additional info coming soon).
Intake air temperature (IAT) sensors
This question is often asked by those who have bought, or are looking to buy, a so-called performance chip. K-Jetronic engines are fuel injected mechanically and, therefore, do not have the electronic controls that Digifant engines have. Buying a performance chip for your K-Jetronic-equipped Cabriolet is a waste of money, and if it somehow gets installed on a K-Jetronic engine, will do much more harm than good. You simply cannot chip a K-Jetronic engine! Digifant ECU's, however, can be chipped to gain several hp's (Advanced Motorsport makes the best one for the Digifant engines). K-Jetronic owners who want to increase hp's need to go about it mechanically, not electronically, as listed above. If you have a Digifant engine, please read this informative forum thread about these so-called performance chips (they aren't chips at all and are mostly hokum).
A clean engine is a happy engine! Why? A dirty engine generally runs hotter than a clean one. Therefore, keeping your engine bay and the engine itself clean should be part of your regular maintenance. Additionally, keeping the underside of the hood tidy allows for quicker, easier leak detection (and your mechanics appreciate working on a clean engine!). With a little work, your engine can look as clean as the one at right.
If you don't want it professionally cleaned up, you can do it yourself. Using a combination of a steamer, a degreaser such as Simple Green® or Totally Awesome (latter available at 99¢ Stores) and a high-pressure washer along with a sponge, brush, scraper, toothbrush and/or towel should do the job with lots of muscle power. Be sure to cover the electric and electronic components/connections with plastic bags before beginning. Professional detailers recommend running the engine up to operating temperature before beginning; this softens up years-old hardened grease, oil, etc. When working on a hot engine; a hot engine bay is no different than an oven... if you're not careful, you'll get burned!
Speaking of ovens: It's advised by professional detailers to not use oven cleaner to rid the engine of caked-on fluids. Most oven cleaners are lye-based products made to break down organic material in your oven; these products will strip paint off of anything, damage plastics and rubber, as well as cause pitting to aluminum over time and, therefore, should not be used for engine cleaning. Foaming engine cleaners, such as Gunk, are made specifically for cleaning engine bays and are a far better/safer choice. Leave the oven cleaner in the kitchen, where it belongs.